• ERON
  • TRIAG

マイクロバイス(中心移動型) 本体

E-1400

仕様/価格

オーダー
適合口金 最大操作トルク
N・m
最大締付力
kN
質量kg 価格 在庫設定 在庫情報 製品BOX CAD
DXF STEP
161043 MCZ40L30E B190-13
B190-22
B190-31
B190-W06-40
B190-W10-40
B190-W20-40
B190-W30-40
7 8 0.24 79,000 在庫 在庫〇 追加 DL DL

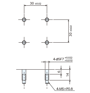
寸法図・サイズ表

選択 オーダー
161043 MCZ40L30E

取付用位置決めボルト 仕様/価格

オーダー№ ネジ径 首下長 質量g 価格 在庫設定 在庫情報 製品BOX
161224 MS50 M5×0.8 17.5 4 2,000 在庫 在庫〇 追加

寸法図・サイズ表

選択 オーダー№ A B C D E F G
161224 MS50 M5×0.8 17.5 10 7.8 5 5f7(-0.010/-0.022) 4

材質・熱処理・表面処理

名称 材質 熱処理 表面処理
マイクロバイス(中心移動型) 本体 SCM440相当 焼入HV650以上 黒染め

特長

■クランプ時に口金部が±0.5mmスライドします。
■ワークの歪みにならってクランプできるため、ワークを矯正することなく固定し、加工後のクランプ歪みを抑えます。
■中心ブロックを固定することで口金部が固定でき、±0.5mmのスライドがない固定用として使用することもできます。
■口金交換式
ワークや加工条件に合わせて口金を交換できます。

【付属品】取付用位置決めボルト4本

使用例

歪みのあるフレーム材を高精度に加工できます。
・長手方向の歪みを矯正させずにクランプ
・多点クランプで加工時のビビりを抑制

 

 

 

構成一覧

 

役割 数量 製品
クランプ・位置決め 2 マイクロバイス
歪みに倣いクランプ 6 マイクロバイス(中心移動型)口金付

使用方法

製品説明

 

マイクロバイス(中心移動型)本体は、口金(別売)と組み合わせて使用します。
締付操作でワークをバイス中心でクランプし、口金部が±0.5mmスライドする機能があります。
歪みのあるワークを矯正させずにクランプすることができます。

 

組合せ方法

 


口金部のスライド機能
締め付け操作でワークをバイス中心でクランプ。クランプ時に口金が±0.5mmスライドします。
歪みのあるワークを矯正させずにクランプすることができます。

 


 

調整方法

 

裏面に中心ブロックの調整ネジ(皿ネジ)が付いています。
調整ねじの締め/緩めによって、中心移動とクランプ位置固定状態の変更ができます。
※出荷時はねじを固定した状態になっています。(中心位置 は+/- 0.03mm の公差で調整してあります)

 

中心移動状態への調整方法
左右の調整ネジを均等に締め切った状態から1/2回転戻した状態で中心ブロックは左右0.5mmずつ移動できる状態になります。

 

クランプ位置固定状態への調整方法
左右の調整ネジを締め切った状態にすると、中心ブロックが固定され、±0.5mmの移動がない固定用として使用できます。

 

 

使用上の注意事項

 

クランプ時の口金位置について
口金が本体からはみ出さない範囲でご使用下さい。
口金が本体からはみ出した状態で使用されますと、加工不良やスピンドルに負荷がかかり破損する可能性があります。

 

 

スピンドル交換時の調整について
スピンドルを交換する場合は、中心ブロックの位置が変わります。
中心位置を再調整して取付を行ってください。

 

取付方法

本体の取付について

 

①取付用の加工を施したプレートに、付属の取付用ボルトで本体を固定します。

 

②口金(別売)を両側から挿入しスピンドルを回転させて組付けます。

口金はR/Lと区分けされています。

口金R側は本体のRH、L側はLH側から挿入して取付ます。

 

 

取付加工寸法

以下の加工図にて追加工してください。