• ERON

RoHS対応

ロータリーテーブル用治具交換システム 交換プレート

E-1401

仕様/価格

オーダーNo. No. シリーズ 使用Q-ロック
エレメント
搭載品 質量kg 価格 在庫設定 在庫情報 製品BOX CAD
DXF STEP
132040 KAK10-P180 プレーンプレート QLK10RP
QLK10B
- 3.4 201,000 × お問合わせ 追加 DL DL
132039 KAK10-F180 面板プレート QLK10RP
QLK10B
- 5 214,000 × 在庫△ 追加 DL DL
132041 KAK10-TBAK10W Wフェイスプレート QLK10RP
QLK10B
QLA06G
QLA-KS10.3x2 10.7 985,000 × お問合わせ 追加 DL DL
132038 KAK10-5AU75130 バイスプレート QLK10RP
QLK10B
5AU75-130 6.4 387,000 廃番 お問合わせ 追加 DL DL
148568 KAK10-5AU75130P バイスプレート QLK10RP
QLK10B
5AU75-130P 7 377,000 廃番 お問合わせ 追加 DL DL

寸法図・サイズ表

選択 オーダーNo. No.
132040 KAK10-P180
132039 KAK10-F180
132041 KAK10-TBAK10W
132038 KAK10-5AU75130
148568 KAK10-5AU75130P

特長

使用方法

治具交換の自動化について

 

本システムを用いてロボット等の自動治具交換を検討の場合は、下記についてご注意ください。

交換プレートには、自動化対応・作業員対応によって4系統ございます。

 

 

 

1.交換プレートごとの段取り運用

 

 

 

メリット

・治具交換が容易(非熟練作業員でも交換可能)
・作業員とロボットの得意なことに特化する事で、難しいワークから簡易ワークの自動運転まで対応できます。
・比較的容易に、自動化対応可能。
・交換プレートにICチップや2次元バーコードで治具管理やプログラム選定も可能。

※4.交換プレートへのワーク着脱は、作業員が行います。
※5.測定機上に、ベースプレート(特殊)が必要となります。

 

 

2.ワーク交換で運用

 

 

 

メリット

・大量生産に有利
・ワーク変更も比較的容易(≒治具交換が容易)

※5.測定機上に、ベースプレート(特殊)が必要となります。
※6.ワークのロケートピンボルト・ガイドブロック等の着脱は、作業員が行う事を想定しています。

 

 

治具交換の自動化について

 

本システムを用いてロボット等の自動治具交換を検討の場合は、下記についてご注意ください。
ベースプレートには、主に2系統ございます。

 

取付方法

交換プレートの自作について

 

本ベースプレートには、Q-ロックエレメントホールタイプが使用されております。
これにより、高スピード・高精度・高剛性な交換プレートの交換を実現しています。

 

エアーブローガンバルブ仕様

 


豊富な専用交換プレートも用意しておりますが、下記の部品を購入することで、お客様の自由な発想の専用交換プレートを製作することが可能です。

自作交換プレートの着脱の確認はお客様の責任で行って下さい。

 

構成部品と取付加工寸法

 

 


交換プレートの自作用加工寸法について

 

各部品の取付加工寸法参考図

 

 

精度規格

位相を考慮した場合の繰返し精度について


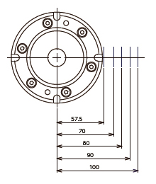
型式:QLA-KS10.3 ワーク必要最小外径:φ115

 

 

中心からの距離 繰返し精度最大誤差
57.5 0.032
70 0.039
80 0.045
90 0.050
100 0.056

※計算値