• ERON

RoHS対応

ネオグリップ(空圧式)

E-1403

仕様/価格 センサー無タイプ

オーダー
No.
No. 口幅 口開A 口開B ストローク
(片側)
締付力
kN
最高使用圧力
Mpa
質量
kg
価格 在庫設定 在庫情報 製品BOX CAD
DXF STEP
149501 NEP85-160 85 35.5〜74.5 73.5〜115.5 3 16 (0.6MPa時) 0.6 15 890,000 × お問合わせ 追加 DL DL
157476 NEP125-250 125 35.5~ 131.8 92.5~ 179.5 5 29 (0.6MPa時) 0.6 40 1,300,000 × 在庫△ 追加 DL DL

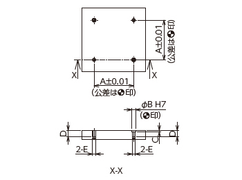
寸法図・サイズ表

選択 オーダー
No.
No. A B C D E F G H I J K L M N f7 O P Q R S T U V W
149501 NEP85-160 160 17.5 125 17.5 125 85 90 111.75 22 133.75 30 21 9 12 4 19 M10 138.3 36.1 87.9 M8 P6 3
157476 NEP125-250 250 25 200 25 200 125 105 130.75 23 153.75 33.5 25 9 14 4 19 M12 216.8 55.8 138.4 M10 P8 3

仕様/価格 センサー有タイプ

オーダー
No.
No. 口幅 口開A 口開B ストローク
(片側)
締付力
kN
最高使用圧力
Mpa
質量
kg
価格 在庫設定 在庫情報 製品BOX CAD
DXF STEP
149502 NEPS85-160 85 35.5〜74.5 73.5〜115.5 3 16 (0.6MPa時) 0.6 15 950,000 × お問合わせ 追加 DL DL
157477 NEPS125-250 125 35.5~ 131.8 92.5~ 179.5 5 29 (0.6MPa時) 0.6 40 1,380,000 × お問合わせ 追加 DL DL

寸法図・サイズ表

選択 オーダー
No.
No. A B C D E F G H I J K L M N f7 O P Q R S T U V W x
149502 NEPS85-160 160 17.5 125 17.5 125 85 90 111.75 22 133.75 30 21 9 12 4 19 M10 138.3 36.1 87.9 M8 P6 3 188
157477 NEPS125-250 250 25 200 25 200 125 105 130.75 23 153.75 33.5 25 9 14 4 19 M12 216.8 55.8 138.4 M10 P8 3 264

材質・熱処理・表面処理

名称 材質 熱処理 表面処理
ネオグリップ(空圧式) 本体:S50C可動体:SCM440 本体:全体焼入れ(HRC40)
可動体:全体焼入れ(HRC50)
本体:黒染め処理(四三酸化鉄皮膜)

特長

■エアーの供給でクランプ/アンクランプを自動化できるバイスです。
■作動用のエアー供給は側面もしくは底面のどちらか選択できます。
■ワークは常にバイスの中心位置でクランプ。高精度な繰り返し位置決めで芯出しレス。段取り時間を短縮できます。(繰り返し位置決め精度:±0.02)
■80万回の耐久テストをクリア。自動化ラインにおいて高い信頼性があります。
■可動体の前後組み替えで口開きを増大できます。
■ワークの形状や加工条件に応じて口金はグリップ(別売)、セルフカット口金(別売)を使用ください。
■可動体を取り外して、ブロックタイプのセルフカット口金(別売)を使用することもできます。
※口金は付属されておりません。別途ご購入ください。
 口金はこちらからご確認ください。
※センサー有に用いているスイッチは以下となります。詳細はその他の「内部センサーの仕様変更及び切替えについて」をご確認ください。
使用センサ
NEPS85-160E2E-X1R5E1 2M(オムロン製)
NEPS125-250E2E-C06S02-WC-C1 2M(オムロン製)

※NEP125-250(オーダーNo:157476)は吊り穴用タップ穴の径が在庫品のみM8となります。(2024.5.15)

[付属品]
NEP(S)85-160
本体位置決め・取付用ボルトM10:2個
本体取付用六角穴付きボルトSKS10065:2個
本体底面用O リング:2 個
NEP(S)125-250
本体位置決め・取付用ボルトM12:2個
本体取付用六角穴付きボルトSKS12065:2個
本体底面用O リング:2 個

構成図

 

※センサー、センサーカバーはNEPSのみ。
本体に組み込まれた近接センサーでスライドジョーの位置を検知します。

使用例

ロボットとの組み合わせで、ワーク搬送から取り出すまでの工程を全て自動化できます。

 

 

導入後の工程

機外のストッカーにワークを配置

ストッカーのワークを機内へ搬送

搬送したワークをクランプ、アンクランプ

機外のワークをストッカーへ搬送

機構説明

機種別対応

 

センサー無仕様

圧縮エアのON、OFFでクランプ、アンクランプ信号は出しますが、ワークの有無は検知ができません。
ワークの有無確認のためには、検出用のセンサーを別途ご用意ください。

 

センサー有仕様

バイスにセンサーが内蔵されており、センサーを使用することでスライドジョーの動作状況を検出ができます。
センサーによりアンクランプ状態・ワーククランプ状態・ワーク無しクランプ状態を検出します。
ワークが無いなどの異常を検知を行いたい場合に最適です。

取付方法

ネオグリップ(空圧式)の取付

 

取付例

2箇所の穴(φB H7)は位置決め・取付用ボルト で位置決めを行います。

 

取付穴加工図

 

A B C D E
NEP(S)  85-160 125 12 5 20 M10
NEP(S)125-160 200 14 5 21 M12

 

 

口金/可動体の取り付け

標準取り付け時

可動体とスライドジョーのセレーションを合わせて使用してください。

口開増大(可動体前後入替)時

可動体を先に固定してから口金を取り付けてください。

 

取付口金適合表

名称 オーダー№ 適合バイス 取付タイプ
グリップ口金 149503 NEP85-SJG NEP85-160
NEPS85-160
可動体取付
グリップ口金 157773 NEP125-SJG NEP125-250
NEPS125-250
可動体取付
セルフカット口金 149504 NEP85-SCJS NEP85-160
NEPS85-160
可動体取付
セルフカット口金 157774 NEP125-SCJS NEP125-250
NEPS125-250
可動体取付
セルフカット口金 149941 NEP85-SCJBS NEP85-160
NEPS85-160    
本体取付
セルフカット口金 157775 NEP125-SCJBS NEP125-250
NEPS125-250    
本体取付
自動交換口金ユニット 152353 NEP85-AJ NEP85-160
NEPS85-160
本体取付

 

可動体取付位置

 

 

可動体を調整して、外側(上図)にボルトを固定してください。

 

イメージレイアウト

 

可動体を調整して、外側(上図)にボルトを固定してください。

 

 

圧縮空気接続方法

 

レギュレータ、ソレノイドバルブ、スピードコントローラ、エア継手、エア配管等をご用意ください。

 

 

センサー接続方法(NEPSのみ)

 


・センサー出力端をPLCのI/O端に接続してください。
・センサーケーブルは動作状態の検出に使用するためバイス側2か所に接続してください。
・電気関係:シーケンサー(PLC)、接続用センサーケーブルをご用意ください。
標準付属近接センサーの配線(出力)は3線(NPN)となっております。
※出力PNPは別途対応可能

 

 

近接スイッチ検出イメージ (NEPSのみ)

 

 

 

近接①

近接②

U(アンクランプ)

OFF ON

WC(ワーククランプ)

ON ON

C(ワーク無しクランプ)

ON OFF

 

近接スイッチでは上記3つの条件の組合せにより検出を行います。
ワーク寸法の設定によっては3つの条件を検出できるように近接スイッチの調整が必要です。
ワーク寸法のバラツキによっては使用できない場合がございます。

能力

供給エアー圧力と締付力の関係の参考値は以下のグラフをご確認ください。

ご使用される環境に合わせてエアー圧力、締付力のご調整が可能です。

NEP(S)85-160

NEP(S)125-250

その他

内部センサーの仕様変更及び切替えについて

 

「NEPS85-160」に使用していますオムロン製センサの受注生産終了に伴い、後継品センサへ切り替わります。
切替に伴う仕様の違いは、オムロン様のWEBサイトにてご確認ください。

 

  変更前 変更後(後継品)
センサシリーズ名 E2E E2E NEXT
センサ型式 E2E-X1R5E1-2M E2E-X1R5C18-2M

 

 

タップ穴径の変更について

 

製品の吊り穴用タップ穴径の仕様変更いたしました。(寸法図:U)

従来:M8

変更後:M10