• ERON

RoHS対応

インデックステーブル付ツーリングブロック

E-1409

仕様/価格

オーダーNo. No. タイプ 全巾 繰返し精度
sec.
割出精度
sec.
全高 質量kg 価格 在庫設定 在庫情報 製品BOX CAD
DXF STEP
147269 TRS0512-30055 並級 500 ±15 ±25 550 309 2,330,000 × お問合わせ 追加 DL DL
147270 TRP0512-30055 精級 500 ±2 ±15 550 309 2,510,000 × お問合わせ 追加 DL DL
140988 TRS0612-30055 並級 630 ±15 ±25 550 360 2,400,000 × お問合わせ 追加 DL DL
140989 TRP0612-30055 精級 630 ±2 ±15 550 360 2,550,000 × お問合わせ 追加 DL DL

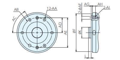
寸法図・サイズ表

選択 オーダーNo. No. A B C D E F G H I J K h5 0/-0.011 L M N O P Q R S T
147269 TRS0512-30055 500 550 296 102 50 140 400 175 150 275 40 10 120 270 390 230 115 128 30 19.2
147270 TRP0512-30055 500 550 296 102 50 140 400 175 150 275 40 10 120 270 390 230 115 128 30 19.2
140988 TRS0612-30055 630 550 296 167 50 140 250 215 200 340 40 10 120 270 390 230 115 128 30 19.2
140989 TRP0612-30055 630 550 296 167 50 140 250 215 200 340 40 10 120 270 390 230 115 128 30 19.2

仕様/価格 ハンドル操作セット(オプション)

オーダーNo. No. 価格 在庫設定 在庫情報 製品BOX CAD
DXF STEP
141109 TRS0612-HN 33,900 × お問合わせ 追加 DL DL

材質・熱処理・表面処理

名称 材質 熱処理 表面処理
インデックステーブル付ツーリングブロック 本体:FC250 焼鈍 塗装(黒皮部)

特長

■2面に取付したジグをマシニングセンタの主軸で円弧操作により90°刻みで旋回できます。
■ジグの回転、位置決めを機内で自動化でき、作業者による段取り替えの工数を削減できます。
■旋回の円弧操作はハンドルで作業者が操作することもできます。
■横型マシニングセンタの5面加工による工程集約でリードタイムを短縮できます。

[付属品]アイボルト
[動画はこちらから]
自動操作

手動操作

オプション紹介

構成図

インデックス付ツーリングブロック

ハンドル操作セット

使用例

出力軸テーブル側に2つのジグプレートを取付けることが可能です。

入力軸円盤を回すことで5面加工が可能になります。

 

使用方法

工作機械の主軸を用いて本製品を操作することができます。

 

工作機械の主軸
工作機械の主軸に円柱状(φ30以上、長さ50mm以上)の工具を取付けてください。
例:モールステーパーホルダA型

 

出力軸テーブル側
出力軸テーブル側にジグプレートを取付けます。
取り付ける際は出力軸テーブルの取付穴に合うように、ジグプレートの加工を行ってください。
出力軸テーブルの仕様は以下を参照ください。

 

 

テーブル仕様

No 仕様 AA AB AC AD±0.05 AE±0.02

AFH6 +0.011

       0

AG AH AI
TRS0512-30055 並級 M12X1.75 110 60° 55 110 11 5 11 M8X1.25
TRS0512-30055 精級 M12X1.75 110 60° 55 110 11 5 11 M8X1.25
TRS0612-30055 並級 M12X1.75 110 60° 55 110 11 5 11 M8X1.25
TRS0612-30055 精級 M12X1.75 110 60° 55 110 11 5 11 M8X1.25

 

入力軸円盤側
工作機械の主軸に取り付けた工具でカムフォロアの局面に操作工具を接触させ、入力軸円盤を回して操作します。

 

 

注意事項
入力軸の操作終了後は、必ずカムフォロアを円の最上部(12時の位置)に停止させてください。
円の最上部に停止していない場合、出力軸が回転する場合があります。

 

ハンドル操作セット
手動での操作をする場合はハンドル操作セットを使用します。
付属しているアタッチメント中央の六角穴にハンドルを挿入し回転させることで操作できます。

 


 

動作について


入力軸円盤側を1回転(360°)させることで出力軸面板が90°回転する構造です。
回転回数・回転向きともに制限はありません。

 

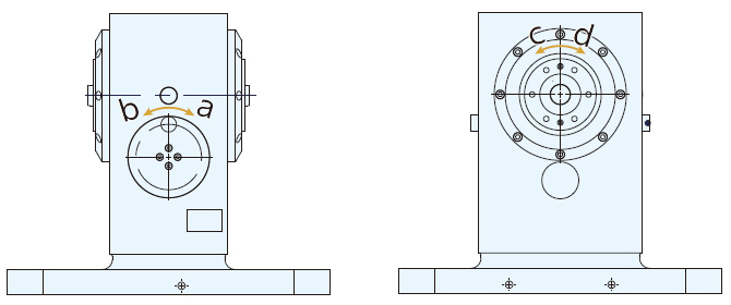
回転の向き
入力軸円盤側をa方向に回すと出力軸面板側はc方向に、入力軸円盤側をb方向に回すと出力軸面板側はd方向に回転します。

 

取付方法

インデックス付ツーリングブロック
通常のツーリングブロック同様、機械テーブルに取付ボルト等で取付を行ってください。

 

ハンドル操作セット
入力軸面のボルト(2本)を外します。
ハンドル操作用アタッチメントを付属しているボルトで取り付けます。

 

精度規格

繰り返し精度と割出精度の測定例

1回転目 2回転目
割出位置1(   0°) ±0” -7.9”
割出位置2(  90°) -14.1" -11.1"
割出位置3(180°) +7.1" +7.8"
割出位置4(270°) +6.9" +6.4"

※繰返し精度(ピンク色):  (0+7.9)/2=±3.95"

※割出精度(水色): (14.1+7.1)/2=±10.6"

メンテナンス方法

・年に1度内部のオイル交換を行ってください。上面にオイル栓、出力軸面(片側)にドレンがございます。
 推奨油種:モービルギア600XP シリーズ680
・作業中、作業終了後に切屑の除去を行ってください。
 そのままにしておくと作動不良・精度不良の原因になります。