• ERON

RoHS対応

ネオグリップ(ロボット搬送対応 口金固定タイプ)

E-1414

仕様/価格

オーダーNo. No. 口巾 口深 最大口開 全長 締付力kN 質量kg 価格 在庫設定 在庫情報 製品BOX CAD
DXF STEP
149755 NE75-170-2BF 75 34 107 170 14 5.6 246,000 在庫 お問合わせ 追加 DL DL
149756 NE75-170-2BFG 75 34 156 170 14 5.6 271,000 × お問合わせ 追加 DL DL

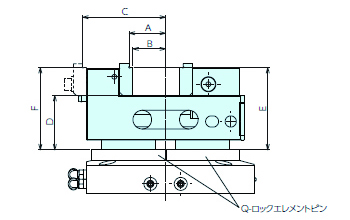
寸法図・サイズ表

選択 オーダーNo. No. A B C D E F G H I J K L M N O P Q R S T U V W x
149755 NE75-170-2BF 170 76 48 8~60 58~107 - - 85 M6 29 45 80 15 20 20 φ12 10 30 34 12 20 5.5 8 M8
149756 NE75-170-2BFG 170 76 48 8~60 58~107 107~156 192.6 85 M6 29 45 80 15 20 20 φ12 10 30 34 12 20 5.5 8 M8

特長

■位置決めユニットを組み込み、ワークをクランプさせたままロボット搬送をさせるマシンバイスです。
■ワークをクランプしたままロボット搬送する仕組みにより、ロボットハンドの交換やロボットの再ティーチングが不要で、専用ベースユニットまでの搬送から位置決めとクランプ、加工後の搬送まで自動化対応ができます。
■口金の交換だけで多品種のワークに対応でき、専用治具の設計・製作が不要でワークの変更や追加が容易にできます。
■ワーク変更時はNCプログラムの追加で多品種少量生産の自動化対応ができます。)
■本体及び固定アゴが一体構造で、高剛性を維持します。
■浮上り防止機能によりワークの浮上りを抑えます。
■摺動面及び口金は焼入(HRC50以上)により、耐摩耗性に優れています。
■基準位置が固定されるため、次工程で仕上げ加工を行う際にワークの位置決め作業を軽減できます。
■BFGタイプは固定アゴ外側に口金をセットし、口開きを増やすことができます。※
 また位置決めピンと研削加工により精度よく口金をセットできます。
※BFタイプは固定アゴ外側に口金をセットできません。

[付属品]口金用位置決めピン(2本1組)/NE75-170-2BFG

使用例

取付方法

口金の取替方法

 

※口金を外側に取り付けた場合の締め付け力は10kN以内としてください。

精度規格

 

A:Q-ロックエレメントピン2本の中心からの距離 0.01以内
B:Q-ロックエレメントピン2本の中心からの距離 0.02以内
C:Q-ロックエレメントピン2本の中心からの距離(口金背面時) 0.02以内
D:摺動面まで 0.02以内
E:ステップ面まで 0.03以内
F:ステップ面まで(口金背面時) 0.04以内

メンテナンス方法

ブッシュテーパー部へ定期的に(推奨1回/3ヶ月)グリス塗布を行ってください。
(推奨グリス:ENEOS社製パイロノックグリースユニバーサル_2)