• NBK

RoHS対応

ホールファスナー プッシュホールド(ノブタイプ)

E-1424

仕様/価格

オーダー№ 外径φ 高さ ピン径 クランプ力
N
質量
g
価格 在庫設定 在庫情報 製品BOX CAD
DXF STEP
165675 HF06PKS 23 46.5 φ6 90 26 5,200 在庫 在庫〇 追加 DL DL
165676 HF10PKS 32 61.5 φ10 150 67 5,300 在庫 在庫〇 追加 DL DL
※クランプ力とは、引っ張り荷重に対し0.1mm以内の位置決め(プレート間の隙間0.1mm以内)が保持出来る許容荷重のことです

寸法図・サイズ表

選択 オーダー№ A B C D E F G H I J K L
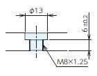
165675 HF06PKS 23 7.5 27 20 6 4 19.5 18 6 12 10 M8x1.25
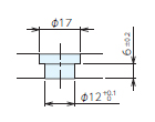
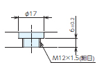
165676 HF10PKS 32 11 38 28 12 6.5 23.5 21.5 10 16 14 M12x1.5(細目)

材質・熱処理・表面処理

名称 材質
ホールファスナー プッシュホールド(ノブタイプ) 本体:SUS303

特長

■握りやすく落下を防止する形状
テーパー形状により指にかかりやすく、落下を防止します。

■クランプ忘れの防止
ボタンを押している間のみアンクランプ状態となり着脱できるため、クランプ忘れを防止します。

■優れた案内性
ピンの先端がテーパー形状のため、挿入の案内性に優れています。

■優れた耐食性と耐久性
・製品はオールステンレス製で耐食性に優れています。
・動作テスト:3万回クリア。長期使用でき交換頻度が少なく済みます。

構成図

使用方法

ボタンを押しながら「ホールファスナー ブッシュ(別売り)」へ抜き差しすることでクランプ/ アンクランプを行います。

 

使用上の注意

製品が破損しケガや事故の原因となりますので、製品に対して過剰な荷重をかけないようにしてください。

 

 

破損目安

No. せん断荷重 引張荷重
HF06PKS 3,000N 500N
HF10PKS 9,000N 1,500N

 

 

組み合わせ表

No. ブッシュ型式
HF06PKS HF06PBS
HF10PKS HF10PBS

 

 

繰り返し位置決め精度について

締結時の繰り返し位置決め精度は± 0.25mm 以内です。
さらに高精度な位置決めが必要な場合は、別途位置決めピンを組み合わせてご使用ください

 

位置決めピン適応表

 

 

製品名 タイプ オーダーNo No
ロケーティングピン
(先端ボールタイプ)
丸ピン 981026 PBD0808
ダイヤピン 981029 PBD0808D

取付方法

プレートへの取り付け

使用する製品(No.)、使用される環境に合わせた取付方法を選択し、取り付け加工を行ってください。

 

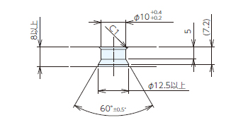
本製品をプレートに固定する場合

 

HF06PKS HF10PKS
プレート厚み 6mm 6mm以上10mm以下 6mm 6mm以上10mm以下
穴種類 タップ穴 タップ穴
取付穴加工
取付イメージ

 

本製品をプレートに固定しない場合

 

HF06PKS HF10PKS
プレート厚み 6mm 6mm以上10mm以下 6mm 6mm以上10mm以下
穴種類 通し穴 通し穴
取付穴加工
取付イメージ

 

ベース側の取付加工について

本製品は、ベース側(差し込み側)に「ホールファスナー プッシュホールド用ブッシュ(別売り)」がない場合でも使用できます。
その場合は、以下の取付加工寸法図を参考にベース側へ加工を施してください。

HF06PKS

HF10PKS

 

 

穴間ピッチ精度について

2 個以上ご使用いただく場合は、ピッチ公差を± 0.1 以内の精度となるように加工を施してください。

修理対応

本製品は修理対応を行っておりません。
動作が悪くなるなど使用に支障がみられる場合は新しいものに交換をしてください。