• NBK

JISバイスA型

E-9100

仕様/価格

オーダーNo. No. 口巾 口開 口深 締付トルク N・m 締付力kN 質量kg 価格 在庫設定 在庫情報 製品BOX
900403 JIS-A75 76 85 76.5 107.9 19.6以上 10 27,400 廃番 お問合わせ 追加
900404 JIS-A100 102 110 86 127.5 19.6以上 18 57,000 廃番 在庫〇 追加
900405 JIS-A125 127 135 96 147.1 19.6以上 26 84,500 廃番 在庫〇 追加
900406 JIS-A150 153 160 101 166.7 19.6以上 36 114,000 廃番 在庫〇 追加

寸法図・サイズ表

選択 オーダーNo. No. A B C D E F G H I J K L M N O P Q R S T U V W x Y Z
900403 JIS-A75 310 76 145 178.5 100 115 52 17 75 11 85 76.5 55 264 53 30 131 45 223 12 TM20P4 9 18 183 127 169
900404 JIS-A100 377 102 164 198 115 125 74 21 82 14 110 86 60 331 56 36 170 50 253 14 TM22P5 12 21 226 151 200
900405 JIS-A125 442 127 180 225 135 140 83 26 94 18 135 96 70 395 61 40 197 64 294 16 TM25P5 14 24.5 266 176 228
900406 JIS-A150 499 153 200 245 160 162 97 28 101.5 18 160 101 85 447 70 45 230 70 333 20 TM28P5 15 29.5 297 202 260

材質・熱処理・表面処理

名称 材質
JISバイスA型 本体・可動体:FC200
メネジ:FCD450

特長

■ハンドルの両端の止め玉はヘッティング加工がしてあり、ぬけ落ちません。
■使用中に手・指を挟んでケガをしないように、ハンドルの両端には内側にゴム輪が取付けてあります。これにより、騒音の発生も防ぎます。
■品質管理を認められて防衛省より銘柄指定を受けています。(指定認可№59)
■JIS規格に認定された横万力(丸胴形)です。
JIS規格の認定内容に関しては、「その他」をご確認ください。

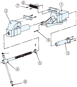
構成図

 

部品名 材質
本体 FC200
可動体 FC200
メネジ FCD450
スピンドル
(ハンドル付)
スピンドル:S45C
ハンドル:S35C
カラー SS400
口金 SCM415
取付ボルト -
ゴム輪 耐油性ゴム
ストッパー SS400

取付方法

作業台に取付穴を開け、ボルトを使用し取付を行ってください。
取付穴は寸法図を参考にボルトの呼び径の2倍の有効深さでねじ穴を直接加工するか、ボルトが問題なく通る貫通穴を加工し、下からボルトを通し上部(バイス側)からナットで締めつけます。
ボルト、ナット、ワッシャーともに別途ご用意いただく必要があります。

その他

JIS規格について

JIS規格に認定されており、形状・品質・材料・検査などのすべての項目をクリアしています。