• ERON
  • AMF

RoHS対応

【廃番】カムクランプセット

E-9451

仕様/価格

オーダーNo. No. ねじの呼び
(並目)
クランプ
ストローク
操作
荷重N
最大
締付力kN
質量
kg
価格 在庫設定 在庫情報 製品BOX CAD
DXF STEP
916006 CC12M100 M12x1.75 26-35 400 12 1 15,900 廃番 お問合わせ 追加 DL
916007 CC16M125 M16x2 26-35 400 15 1.4 18,300 廃番 お問合わせ 追加 DL

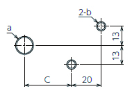
寸法図・サイズ表

選択 オーダーNo. No. A B C D E F(並目) G
916006 CC12M100 100 30 20 26-35 21-43 M12x1.75 167
916007 CC16M125 125 40 20 26-35 34-66 M16x2 167

材質・熱処理・表面処理

名称 材質 熱処理 表面処理
【廃番】カムクランプセット S45C 焼入 黒染め

特長

■カム形状のハンドルで締付時に工具レスが可能です。
■ハンドルが低い位置にあるので、上部の干渉の心配がありません。

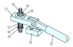
構成図

 

  部品構成   部品構成
クランプバー 球面座金
カムクランプレバー クランプボルト
ハンドルベース 平座金
六角ナット スプリング

使用方法

ハンドルを上げた状態で、六角ナットを締めます。

ハンドルを倒すことによりカム機構が働きクランプ状態となります。

ハンドルをクランプ状態からαまであげた時、クランプバーは2.5mmあがります。
ハンドルをクランプ状態からβまであげた時、クランプバーは5.5mmあがります。
アンクランプ時の目安にして下さい。

 

 

注意事項

最大操作トルクを超える操作は、クランプの耐久性に影響を及ぼします。

規定のトルク内でご使用下さい。
ハンドルは必ず倒れた状態で使用してください。

ハンドルの倒れが不十分だと、アンクランプ状態とな作業者が障害を負う可能性があります。

また、ハンドルを下げすぎるとアンクランプ状態になりますので、倒し過ぎに注意してください。

取付方法

 

a(並目) b(並目) c
CC12M100 M12X1.75 M6X1 42-64
CC16M125 M16X2 M6X1 44-76