• ERON

RoHS対応

Q-ロックエレメント/ピン(サイドネジ式シングルタイプ)

E-9659C

  • 9659C15.jpg
  • 9659C15.jpg

Q-ロックエレメント

仕様/価格

オーダーNo. No. 外径 総高 ピン径 クランプ力
kN
操作トルク
N.m
質量g 価格 在庫設定 在庫情報 製品BOX CAD
DXF STEP
102268 QLTSS26P 70 58 26 8 23 720 41,600 在庫 在庫〇 追加 DL DL
102269 QLTSS40P 108 83.5 40 20 80 2100 58,000 在庫 在庫〇 追加 DL DL

寸法図・サイズ表

選択 オーダーNo. No. A B-0.003/-0.02 C D E F±0.005 G H I J K L MH8 O
102268 QLTSS26P 70 36 58 12 20.5 26 5 26 58 20 7 24 6 6 13
102269 QLTSS40P 108 58 83.5 14.5 30 37 7 40 86 30 11 35 10 10 18.5

材質・熱処理・表面処理

名称 材質
Q-ロックエレメント/ピン(サイドネジ式シングルタイプ) 本体:SCM440

特長

■サイド操作シングルタイプピン 。
■本体両サイドに溝を設けたことにより、1個使いができます。
■複数のQ-ロックエレメントを使用できない小型交換ジグに向いています。
[繰返し位置決め精度] 5μm以内(中心から50mmの位置)

[動画はこちらから]
Q-ロックエレメント

ツーリングブロック活用例

使用例

 

小物ワーク用交換ジグを多数個配置

 

取付方法

ジグベースに取り付け穴を加工し、六角穴付きボルトで取り付けます。

 

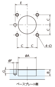
取り付け加工寸法

 

 

A B C D E F G
QLTSS26

36 +0.016

0

13 20 M6深さ12 24±0.015

6 +0.018

0

8
QLTSS40

58 +0.019

0

15.5 30 M10深さ20 M10深さ20

10 +0.022

0

10