• ERON
  • AMF

RoHS対応

Q-ロックエレメント ホールタイプ ピン(空圧式)

E-9659Z

仕様/価格

タイプ オ-ダ-
全巾 全高 質量kg 価格 在庫設定 在庫情報 製品BOX CAD
DXF STEP
ロケートピン 121996 QLK02RP 10 17.5 0.04 16,200 在庫 在庫〇 追加 DL DL
ダイヤピン 121997 QLK02DP 10 17.5 0.04 17,800 在庫 在庫〇 追加 DL DL
クランプピン 121998 QLK02CP 9.95 17.5 0.04 15,100 在庫 在庫〇 追加 DL DL

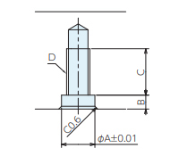
寸法図・サイズ表

選択 オ-ダ-
A B C D E F G H
121996 QLK02RP 10 7.14 M5xP0.8 2.5 1 14 17.5 6
121997 QLK02DP 10 7.14 M5xP0.8 2.5 1 14 17.5 6
121998 QLK02CP 9.95 7.14 M5xP0.8 2.5 1 14 17.5 6

材質・熱処理・表面処理

名称 材質 熱処理
Q-ロックエレメント ホールタイプ ピン(空圧式) SUS 焼入れ

特長

■200万回使用可能な高い耐久性。長期的に使用できます。
■コンパクトな構造により、省スペースに設置でき、小物ワーク、ロボットハンドなどにもご使用いただけます。

※本製品は「Q-ロックエレメント ホールタイプ 本体(空圧式単動)」と組み合わせて使用する製品です。

構成図

使用例

マシニング加工での搭載例
ワークに本製品を取り付け、多面加工を行うことができます。


ワークにピンを直付けして、ワーク面(上・側面)の加工を行っています。

使用方法

本製品は「Q-ロックエレメント ホールタイプ 本体(空圧式単動)」と組み合わせて使用する製品です。
交換する対象物(ワークやジグプレート等)に取り付けて使用します。
取り付ける際にはタップ穴、位置決め用穴などの追加工が必要です。事前に加工内容、深さなどの加工条件を確認してください。

●選定方法
組み合わせるピンによって位置決めの方向が異なります。以下の組み合わせ表をご確認ください。

ピン 本体 位置決め方向
ロケート(QLK02RP) 共通(QLA-K02) 垂直・水平
ダイヤ (QLK02DP) 垂直・回転方向位相
クランプ(QLK02CP) 垂直


●配置レイアウト例
取付側サイズ、配置間の距離によって配置レイアウトが異なります。
以下のレイアウトを参考に設計してください。

配置方法 備考/説明
レイアウト 取付側サイズ例

ロケートピン・ダイヤピン

30x50
50x100
100x200


注意事項
W1方向からの荷重が加わる場合は、荷重の大きさによってジグプレートが移動する可能性があります。(上図参照)
その場合、サイドジャッキ、ハイトシリンダー等を追加して剛性を増す対策を行ってください。

ロケートピン・ダイヤピン・クランプピン

100×100
150×150
200×200
 

ロケートピン・ダイヤピン・クランプピン

100×300
150×300
200×300
 

取付方法

ピンの取り付けには「スタッドボルトでの取り付け」「ソケットスクリューでの取り付け」の2種類からお選びいただけます。
ご使用の環境に合わせて選択ください。
また取付の際は、取付加工寸法図を参考に取付対象物に対して事前に加工を施してください。

■スタッドボルトで取り付ける場合

付属品のスタッドボルトをワークのタップ穴に挿入しピンを取り付けます。
ピンの2面幅をスパナを用いて既定のトルクで締めつけます。
(締付トルク:5N・m)


■ソケットスクリューでの取り付け

別売りのソケットスクリューをワークのタップ穴に挿入しピンを取り付けます。
※ソケットスクリューは取り付け部の厚みを考慮し選定を行ってください。

 


■取付加工寸法

以下の取り付け加工寸法図を参考に加工を行ってください。

A B C D
QLK02(RP,DP,CP) 7.17 3 12 M5XP0.8

 取付後イメージ図

 

 注意事項
・ソケットスクリューを使用してピンを取り付ける場合は、A・Bの寸法を参考に加工を施してください。
・ソケットスクリュー挿入部の加工についてはご用意されたソケットスクリューに合わせて加工してください。

メンテナンス方法

メンテナンス・修理対応

定期的に清掃・メンテナンスを行ってください。メンテナンスを怠ると製品の機能・精度の低下となります。

■メンテナンス方法
・清掃時はクランプ状態で行ってください。アンクランプ状態で行うと、ピン内部に切粉が侵入し作動不良の原因になります。また、清掃はエアーブローにてお願いします。
・キズ・打コン・切り屑の付着がないことを確認し、不具合が発見された場合は取り除いてくさい。
・定期的にグリスアップを行ってください。
 グリスアップ時はピンをアンクランプ状態にし、鋼球の穴からグリスを挿入してください。

■修理について
本製品の修理対応は行っておりません。
作動不良・精度低下等が確認された場合は、本製品の交換を行ってください。