• ERON

RoHS対応

Q-ロックエレメント ホールタイプ本体(サイドネジ式)

E-9659Z

仕様/価格

オーダーNo. No. トルク
Nm
クランプ力
kN
質量
kg
価格 在庫設定 在庫情報 製品BOX CAD
DXF STEP
138069 QLTD-KN10 17 7 1.7 56,000 在庫 在庫〇 追加 DL DL

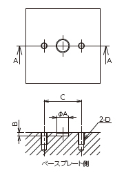
寸法図・サイズ表

選択 オーダーNo. No. A B C H6 D +0.05/0 E F G H I J K L M
138069 QLTD-KN10 78 50 16 7.5 14 9 41 32.5 10 44.5 25 22 m8x1.25

材質・熱処理・表面処理

名称 材質 熱処理
Q-ロックエレメント ホールタイプ本体(サイドネジ式) SCM440 焼入れHRC55

特長

■本体側面より、レンチで締結、解除操作を行います。
■干渉を回避できるため5面加工に最適です。
[繰返し位置決め精度]5μm

[動画はこちらから]
ホールタイプ 本体 サイドネジ式

試作用治具 量産治具への移行

使用例

取付方法

交換するジグやユニットへ取り付け穴を加工し、六角穴付きボルトで取り付けます。

 

取付加工方法

 

 

A B C D
16 5 50 M8X1.25