• ERON

RoHS対応

ナットランナークランプH型

E-9916

仕様/価格表 シングル

オーダー
全長 全巾 クランプ
ストローク
最大操作
トルク
N・m
締付力
kN
質量
kg
価格 在庫設定 在庫情報 製品BOX CAD
DXF STEP
133459 NRCH08 65 69 3.5 16 8 0.7 90,000 在庫 在庫△ 追加 DL DL
133460 NRCH13 68 75.5 3.5 30 13 1 95,000 在庫 在庫△ 追加 DL DL
133461 NRCH18 75 75.5 3.5 41 18 1.2 97,000 在庫 在庫△ 追加 DL DL
144594 NRCH08L 69 94.1 10 12 5 1.4 111,000 在庫 在庫△ 追加 DL DL

寸法図・サイズ表

選択 オーダー
A B C D E F G H I J K L M N O P±0.5 Q R
133459 NRCH08 65 69 56.5-60.5 55 45 22 52 9 24 35 5.5 19 6 +0.018/0 8 13 4 7 25.8-29.8
133460 NRCH13 68 75.5 62.8-66.8 63 48 22 55 9 28 38 7 20 6 +0.018/0 8 13 4 7 28.3-32.3
133461 NRCH18 75 75.5 65.8-69.8 66 48 22 58 11 28 38 7 20 6 +0.018/0 8 13 4 7 28.3-32.3
144594 NRCH08L 69 94.1 76.5-86.5 74.5 45.5 36 55 9 20 35 6.5 20 6 +0.018/0 8 13 10 11.9 28.5-38.5

仕様/価格表 ダブル

オーダー
全長 全巾 クランプ
ストローク
最大操作トルク
N・m
締付力
kN
質量
kg
価格 在庫設定 在庫情報 製品BOX CAD
DXF STEP
133462 NRCHD08 65 73 7 16 5 0.6 131,000 在庫 在庫〇 追加 DL DL
133463 NRCHD13 68 74.1 7 30 8 1 133,000 在庫 在庫〇 追加 DL DL
133464 NRCHD18 75 74.1 7 48 13 1.1 139,000 在庫 在庫〇 追加 DL DL

寸法図・サイズ表

選択 オーダー
A B C D E F G H I J K L M N O P±0.5 Q
133462 NRCHD08 65 73 52.8-60.8 45 45 22 52 9 24 35 5.5 16 6 +0.018/0 8 13 4 7
133463 NRCHD13 68 74.1 56-64 53 47 22 55 9 28 38 7.5 20 6 +0.018/0 8 13 4 7.1
133464 NRCHD18 75 74.1 63.2-71.2 58 47 22 58 11 28 38 7.5 20 6 +0.018/0 8 13 4 7.1

特長

■水平タイプのナットランナークランプです。
■ナットランナー・電動ドライバー・インパルスレンチを使用して、トルク管理・高速クランプ・自動化ができます。
■本体上部に飛び出たスピンドル上部の六角部を操作してクランプ・アンクランプを行います。
■油圧に近い作動性を持ち、配管などが不要で手軽に自動化と効率改善ができます。
■アンクランプ側は、ストロークエンドが設けてあり、緩めすぎにより部品が分解することはありません。
■シングルは、片側締めタイプ・ダブルは両側締めタイプです。

構成図

NRCH

 

部品構成
スピンドル
座金
皿ボルト
ストッパーR
ストッパーL
口金
可動体
スタッドボルト
キャッチ用皿バネ
スタッドボルト
本体

 

 

NRCH08L

 

 

部品構成
スピンドル
座金
カバー
低頭小径ボルト
ストッパーR
ストッパーL
口金
グリップパッド丸型
六角穴付きボルト
スタッドボルト
キャッチ用皿バネ
キャッチ用バネ
低頭六角穴付きボルト
可動体
本体

 

 

NRCHD

 

 

部品構成
スピンドル
座金
皿ボルト
可動体中
ストッパー
スタッドボルト
キャッチ皿バネ
可動体外
口金
小径頭ボルト
本体

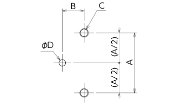
取付方法

取付加工寸法

 

 

 

A B C D
NRCH08 52 19 M8

6 +0.018

0

NRCHD08 52 16 M8

6 +0.018

0

NRCH(D)13
NRCH08L
55 20 M8

6 +0.018

0

NRCH(D)18 58 20 M10

6 +0.018

0

 

メンテナンス方法

定期的にグリスアップ・注油、各部ネジのゆるみがないか確認を行ってください。
グリスアップ・注油の目安は1万回になります。