• ERON

ロックタイトパワーバイス

E-9275

仕様/価格

タイプ オ-ダ-
No.
No. 口巾 口深 口開 標準ガイド
ブロック巾
油圧スト
ローク
締付力
kN
質量
kg
価格 在庫設定 在庫情報 製品BOX CAD
DXF STEP
HPD 969420 LT-HPD150 151 44 143 18 13 40 38 1,600,000 × お問合わせ 追加 DL DL
HPD-G 969421 LT-HPD150G 151 44 143 18 13 40 38 1,150,000 廃番 お問合わせ 追加 DL DL
バイスのみ 969422 LT-HPD150V 151 44 143 18 13 40 38 471,000 × お問合わせ 追加 DL DL

寸法図・サイズ表

選択 オ-ダ-
No.
No. A B C D E F G H I J K L M N O P Q R S T U V
969420 LT-HPD150 425 151 143 80 63 44 73 117 40 512.5 13 192 230 75 173 310 280 400 150 165 1800 R3/8
969421 LT-HPD150G 425 151 143 80 63 44 73 117 40 512.5 13 192 230 75 173 310 280 400 150 165 1800 R3/8
969422 LT-HPD150V 425 151 143 80 63 44 73 117 40 512.5 13 192 230 75 173 310 280 400 150 165 1800 R3/8

特長

■電動油圧ポンプ使用。
■消音カバーの取付けで静かに作動します。
■70MPaのポンプによって最大40kNの締付力が得られます。
■ポンプの圧力スイッチで、締付力の調整ができます。
■1台のポンプで複数のバイスを操作できます。
■量産品の加工に威力を発揮します。
■ハンドル操作によって寸法設置ができます。
■浮き上がり防止機構により、可動体・ワークの浮き上がりを抑えます。
■バイスはLT150Mを使用しています。
■同じ型式であれば、並列精度は全て0.01以内です。(全品標準並列仕様)
詳細は「特注品対応」をご確認ください。

[付属品]
標準ガイドブロック(2個1組)適合溝巾18mm・・・1組
ハンドル・・1本
油圧ポンプ(AC100V用)・・・1台
フットスイッチ・・1個
高圧ホース・・1本

※マシンバイスの仕様を一部変更しました(2023.8~)
バイス底面に設けていた回転台との組み合わせ用の穴を無くしました。
詳細は「その他」をご確認ください。

使用例

使用方法

油圧ポンプの仕様

 

    LT-HPD150
シリンダー 受圧面積(㎝2) 7.25
締付力(kN) 40
ストローク(㎜) 13
油圧ポンプ 最高吐出圧力(MPa) 70
  圧力設定範囲(MPa) 10~70
  吐出油量(ℓ/min) 高圧時0.25 低圧時2.5
  使用電源(V) 単相AC100V
  モーター出力(kw) 0.4
  オイルタンク容量(ℓ) 1.1
  質量(kg) 28

 

 

締付力

 

ポンプ圧力(MPa) LT-HPD150(kN)
30 17
50 29
70 40

 

 

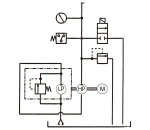
油圧回路図

 

精度規格

 

(静的精度)

検査事(100mmにつき)企画 旧JIS規格(1級) ナベヤ規格値
1 本体底面と口金スベリ面との平行度 0.020 0.015
2 口金と口金スベリ面との直角度(直角より小なること) 0.050 0.015
3 本体底面のガイドブロックと口金くわえ面の直角度 0.020 0.020
4 本体底面のガイドブロックと口金くわえ面の平行度 0.020 0.020

 

 (締め付け精度)

検査事(100mmにつき)企画 旧JIS規格(1級) ナベヤ規格値
5 締め付けたテストブロックの上面と本体底面の平行度 0.030 0.020
6 締め付けた時のテストブロックの上面の浮き上がり 0.050 0.020

特注品対応

並列品のご注文について

 

同じサイズであれば、何台でも全品並列です。並列料金は不要です。

A・Bを何台でも0.01以内に揃えます。

ご注文方法は以下をご確認ください。

 

 

初めてご購入される場合

ご注文の際、ご必要になる数をご連絡ください。

 

追加ご購入される場合

ご注文の際、ご必要になる数をご連絡ください。

その他

バイスの一部仕様変更について(2023.8~)

 

生産上の都合により、バイス底面に設けていた穴を無くしました。

すでに「マシンバイスシリーズ回転台(廃番)」をお持ちの場合、バイスと組み合わせて使用することができませんので、予めご了承下さい。