• ERON

RoHS対応

スイングクランプS型

E-9317S

仕様/価格

オーダー
No.
No. クランプ
ストローク
単体使用時 ホルダー使用時 質量
kg
価格 在庫設定 在庫情報 製品BOX CAD
最大
トルク
N・m
最大
締付力
kN
最大
トルク
N・m
最大
締付力
kN
DXF STEP
950195 SS16 0-6 2.5 2 2 2 0.02 5,450 在庫 在庫〇 追加 DL DL
950196 SS18 0-8 3.5 6 3.5 5.5 0.04 6,100 在庫 在庫〇 追加 DL DL
930152 SS20 0-7 26 11 11 6 0.07 6,200 在庫 在庫〇 追加 DL DL
914823 SS35 3-13 54 18 51 15 0.29 6,400 在庫 在庫〇 追加 DL DL
946614 SS50A 3-13 40 15 54 15 0.32 7,650 在庫 在庫〇 追加 DL DL
914822 SS50 3-15 96 31 59 15 0.58 8,650 在庫 在庫〇 追加 DL DL
946615 SS60 3-15 117 26 78 15 0.62 8,650 在庫 在庫〇 追加 DL DL

寸法図・サイズ表

選択 オーダー
No.
No. A B C D E F G H I J K(並目) L M(並目)
950195 SS16 16 7 23 R6 7 16 7 10-0.025 -0.061 3 11.5 M4x0.7 - -
950196 SS18 18 9 28 R8 10 18 8 14-0.032 -0.075 5 18 M6x1.0 - -
930152 SS20 20 12 35 R10 12 23 7 16 0 -0.03 6 18 M8x1.25 - -
914823 SS35 36 18 57 R14 19 38 15 25-0.025 -0.061 10 25 M12x1.75 7.5 M8x1.25
946614 SS50A 50 18 57 R14 19 38 15 25 0 -0.03 10 25 M12x1.75 7.5 M8x1.25
914822 SS50 50 20 70 R18 27 43 13.8 30 0 -0.03 14 31 M16x2 7.5 M8x1.25
946615 SS60 60 20 70 R18 27 43 15 30 0 -0.03 14 32 M16x2 7.5 M8x1.25

材質・熱処理・表面処理

名称 材質 熱処理 表面処理
スイングクランプS型 クランプバー:S45C クランプバー:焼入(HRC25-35) クランプバー:黒染め(四三酸化鉄被膜)

特長

安価でコンパクトなクランプです。
自在に旋回させれるので、ワークの着脱が容易に行えます。

構成図

 

  部品構成
ソケットスクリュー
スイングヘッド 
スプリング

使用例

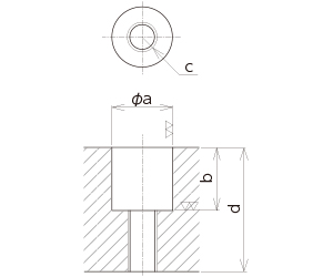
取付方法

取付加工寸法

 

 

a +0.07/0 b +0.6/0 c(並目) d(min)
SS16 10 16.5 M4X0.7 31.5
SS18 14 19.5 M6X1.0 39.5
SS20 16 23.5 M8X1.25 44.5
SS35 25 35.5 M12X1.75 64.5
SS50A 25 35.5 M12X1.75 64.5
SS50 30 40.5 M16X2 76
SS60 30 40.5 M16X2 76