• ERON
  • QPM

RoHS対応

インサートノズル BE型

E-9991BE

仕様/価格

オーダーNo. No. 取付穴
H9
ノズル
内径
質量g 価格 在庫設定 在庫情報 製品BOX CAD
DXF STEP
970103 BE10-1 φ10 φ2.8 2.5 3,390 在庫 在庫〇 追加 DL DL
970104 BE12-1 φ12 φ4.1 2.5 3,390 在庫 在庫〇 追加 DL DL
970105 BE14-1 φ14 φ4.1 5 3,390 在庫 在庫〇 追加 DL DL
970106 BE15-1 φ15 φ4.1 5 3,390 在庫 在庫〇 追加 DL DL
123200 BE18-1 φ18 φ4.1 8 4,680 在庫 在庫〇 追加 DL DL
123202 BE22-1 φ22 φ5.6 13 4,490 在庫 在庫〇 追加 DL DL
108261 BE10-2 φ10 M3.5x0.6 2.5 4,090 在庫 在庫〇 追加 DL DL
108262 BE12-2 φ12 M4x0.7 2.5 4,090 在庫 在庫〇 追加 DL DL
108263 BE14-2 φ14 M4x0.7 5 4,090 在庫 在庫〇 追加 DL DL
108264 BE15-2 φ15 M4x0.7 5 4,090 在庫 在庫〇 追加 DL DL
123201 BE18-2 φ18 M5x0.8 8 5,500 在庫 在庫〇 追加 DL DL
123203 BE22-2 φ22 M6x1.0 13 5,250 在庫 在庫△ 追加 DL DL

寸法図・サイズ表

選択 オーダーNo. No. A B C D E F
970103 BE10-1 10 7.4 1.3 1.5 φ2.8 5.1
970104 BE12-1 12 8.6 1.5 1.5 φ4.1 6.4
970105 BE14-1 14 11.2 1.3 1.5 φ4.1 6.4
970106 BE15-1 15 11.9 1.8 1.5 φ4.1 6.4
123200 BE18-1 18 14.9 1.5 3 φ4.1 7.8
123202 BE22-1 22 18.1 2.1 3.2 φ5.6 9.4
108261 BE10-2 10 7.5 1.4 1.7 M3.5x0.6 5.1
108262 BE12-2 12 8.7 1.5 2 M4x0.7 6.4
108263 BE14-2 14 11.2 1.4 2 M4x0.7 6.4
108264 BE15-2 15 12 1.6 2 M4x0.7 6.4
123201 BE18-2 18 14.9 1.5 3 M5x0.8 7.8
123203 BE22-2 22 18 2.1 3.2 M6x1.0 9.4

材質・熱処理・表面処理

名称 材質
インサートノズル BE型 本体:アセタール
ノズル・ボール:SUS303

特長

■機械や治具に組み込みができ、刃物や治具への干渉がありません。
■ノズル角度がスピーディーに変えられます。

最大圧力:1MPa
耐熱温度:70℃
取付方法:皿ネジ

使用例

 

ノズル先端がネジ式(E寸法)は、スプレーチップやチューブの取り付け可能。

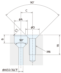
取付方法

取付穴推奨寸法

 

 

A B C D
BE10-1

10 +0.036

 0

5.2 9 13
BE12-1

12 +0.043

 0

6.3 10 13
BE14-1

14 +0.043

 0

7 11 13
BE15-1

15 +0.043

 0

7.5 11.5 13
BE18-1

18 +0.043

0

9 13 13
BE22-1

22 +0.052

0

11 15 13
BE10-2

10 +0.036

 0

5.2 9 13
BE12-2

12 +0.043

 0

6.3 10 13
BE14-2

14 +0.043

 0

7 11 13
BE15-2

15 +0.043

 0

7.5 11.5 13
BE18-2

18 +0.043

0

9 13 13
BE22-2

22 +0.052

0

11 15 13