• ERON
  • QPM

RoHS対応

インサートノズル LP型

E-9991LP

仕様/価格

オーダーNo. No. 取付穴
H9
全長 ノズル
内径
質量g 価格 在庫設定 在庫情報 製品BOX CAD
DXF STEP
970111 LP10-1 φ10 152 φ3 15.5 3,490 在庫 在庫〇 追加 DL DL
970112 LP11-1 φ11 152 φ3 17 3,490 在庫 在庫〇 追加 DL DL
970113 LP12-1 φ12 152 φ3 19 3,490 在庫 在庫〇 追加 DL DL
970114 LP12-2 φ12 152 φ4.6 23 3,660 在庫 在庫〇 追加 DL DL
123220 LP14-1 φ14 152 φ3 27 3,500 在庫 在庫〇 追加 DL DL
123221 LP14-2 φ14 152 φ4.6 30 3,680 在庫 在庫〇 追加 DL DL
123222 LP15-1 φ15 152 φ3 30 3,500 在庫 在庫〇 追加 DL DL
123223 LP15-2 φ15 152 φ4.6 32 3,800 在庫 在庫〇 追加 DL DL
123224 LP18-1 φ18 152 φ3 40 3,870 在庫 在庫〇 追加 DL DL
123225 LP18-2 φ18 152 φ4.6 45 4,040 在庫 在庫〇 追加 DL DL

寸法図・サイズ表

選択 オーダーNo. No. A B C D E F
970111 LP10-1 10 152 7.6 1.3 4.8 3
970112 LP11-1 11 152 8.4 1.5 4.8 3
970113 LP12-1 12 152 9.1 1.3 4.8 3
970114 LP12-2 12 152 8.9 1.8 6.4 4.6
123220 LP14-1 14 152 12 1.1 4.8 3
123221 LP14-2 14 152 11 1.7 6.4 4.6
123222 LP15-1 15 152 12.7 1.3 4.8 3
123223 LP15-2 15 152 12 1.6 6.4 4.6
123224 LP18-1 18 152 15.7 1.2 4.8 3
123225 LP18-2 18 152 15.7 1.2 6.4 4.6

材質・熱処理・表面処理

名称 材質
インサートノズル LP型 本体:真鍮
ノズル:銅

特長

■銅管ノズルは必要な場所に自由に向きを変えられます。

最大圧力:3MPa
耐熱温度:150℃
取付方法:皿ネジ

使用例

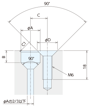
取付方法

取付穴推奨寸法

 

 

A H9 B C D
LP10-1 10 +0.036
 0
5.2 9 13
LP11-1 11 +0.043
 0
5.7 9.5 13
LP12-1 12 +0.043
 0
6.3 10 13
LP12-2 12 +0.043
 0
6.3 10 13
LP14-1 14 +0.043
 0
7 11 13
LP14-2 14 +0.043
 0
7 11 13
LP15-1 15 +0.043
 0
7.5 11.5 13
LP15-2 15 +0.043
 0
7.5 11.5 13
LP18-1 18 +0.043
 0
9 13 13
LP18-2 18 +0.043
 0
9 13 13